la machine s’allume le programme se lance et le tambour ne tourne pas
courroie ok tambour ok moteur tourne a la main débrancher.
pompe fonctionne
moteur a induction
la machine s’allume le programme se lance et le tambour ne tourne pas
courroie ok tambour ok moteur tourne a la main débrancher.
pompe fonctionne
moteur a induction
Bonjour, est-ce qu’il prend l’eau et quel code erreur ?
bonjour
oui il prend l’eau pas de code erreur c’est bien la le probleme
meme moteur debrancher aucun code .bobine du moteur a induction non couper.
je n’est pas trouver sur le net le mode test
je pense a la carte de puissance
bonjour,
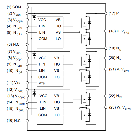
moteur à induction = alimentation du moteur par du triphasé fabriqué sur la carte de puissance ( ou sur une carte spéciale) à partir d’une haute tension de 325v et piloté par des données en provenance du microcontroleur
il est fort probable que c’est cette alim triphasée qui est défaillante defaillance due à un circuit spécifique appelé SPM ( smart power module )
je joins pour info la spec d’un SPM …. tout un programme
IC FSB50760SF spec avril 2014.pdf (861,1 Ko)
Bonjour, intéressant, on peut déjà vérifier si aucun mosfet de sortie n’est en court-circuit drain-source
bonne question !
la plus courante ? une des phases U V W de facon aléatoire
laquelle ? facile à voir : les resistances de limitation I qui sont en serie avec chaque retour de phase vers le neutre Nu Nv Nw sont cramées et souvent ces R sont des 2.2ohms qte 4 en // sur chaque voie cf schéma carte et photo jointe
Merci de l’information, c’est sympa ![]()
Bonjour,
J’ai exactement la même panne que vous avez décrite sur le modèle Bosch WAX32M00FF.
Pourriez-vous me dire quelle a été la suite ? Et quelle réparation vous avez effectué.
Par avance Merci.