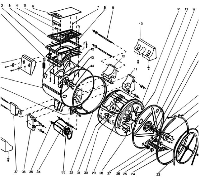
le palier opposé à la courroie fait un bruit sourd et commence à suinter … faut il un outillage spécial pour démonter et changer ce palier par dépose du tambour ? avez vous un schéma de ce qui m’attend? merci ! (ariston ATE 501)
ok, super, merci je vais explorer tout ca !
merci pour le schéma qui m’a bien aidé à comprendre surtout le remontage ! … le palier acheté chez vous va impec.
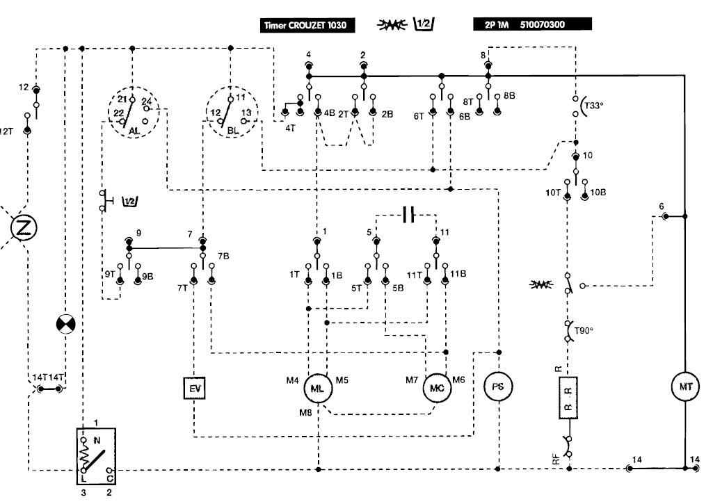
par contre bien qu’ayant noté le câblage au feutre sur la carcasse mes notes se sont éffacées à cause des manipulations et du dégrippant !
avez vous le schéma electrique de la partie resistance et sonde de température?
j’ai deux fois deux fils T90 et T30 à connecter sur celle ci (il y a aussi deux reperes blancs et rouge sur la sonde)
merci !


