Sur mon lave vaisselle BRANDT C 103 ,l’eau coule 20 secondes et s’arrète ,quantitée insufisante pour laver,j’ai changé l’electro vanne,j’hésite à changer le programateur,peut il y avoir une autre raison?
Bonjour,
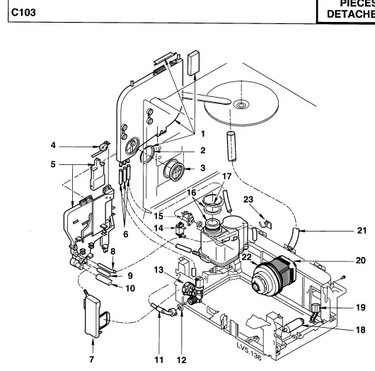
cet appareil est assez simple donc je vous conseillerais de commencer par voir si rien n’est encrassé.
Commencez par le remplisseur et le répartiteur. Ce sont les pieces plates situées coté gauche de la machine (repères 1 et 5).
Elles sont accessibles en enlevant la tôle gauche et ont tendance à s’encrasser pas mal au cours du temps.
Merci pour le renseignement,j’ai trouvé 1 tuyau bouché entre le distributeur et la pompe,il me semble qu’il n’y a pas beaucoup d’eau dans la cuve,1er essai,ce soir.
