bonjour,
je voudrais remplacer le tuyau de vidange de mon lave-linge THOMSON / AUSTRALE: Où trouver le tuyau (il n’est pas dans la liste des pièces détachées adepem) et le dessin technique qui m’aidera à le remplacer (son branchement sur la machine n’est pas apparent)?
merci de votre réponse
raton laveur
Bonjour,
Pour être sur de bien vous conseiller ,j’aurais besoin de la référence complète de la machine…
Bonjour et merci pour votre réponse
la référence exacte du lave-linge est:
marque: THOMSON
modèle: AUSTRALE 2
référence usine: 6F1BTHFFD
n° fabrication 0 20 01316
à bientôt j’espère avec une bonne idée
cordialement
raton laveur
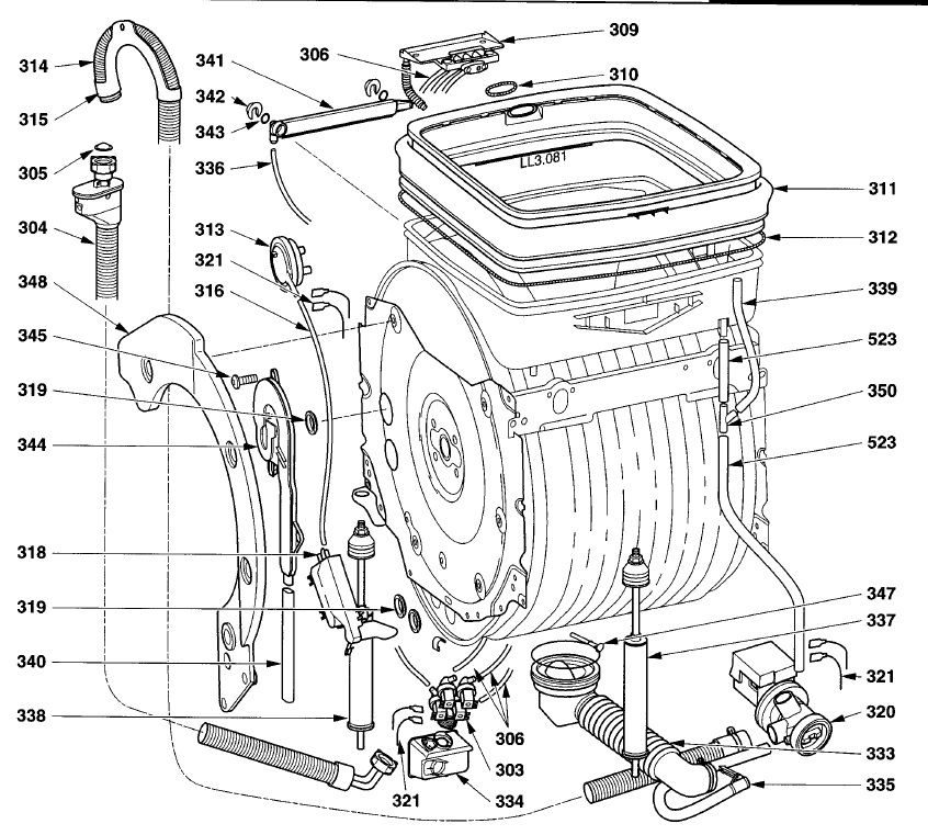
Le tuyau de vidange est commandable ici , mais je pense qu’un tuyau classique ferait tout aussi bien l’affaire ( voir là ).
Il est fixé sur la pompe par un simple collier.
bonsoir,
Superbe éclaté… exactement ce qu’il me fallait
merci beaucoup
cordialement
stéphane lefebvre
