Bonjour , je vous ai acheté un cordon 4 fils pour une table à repassé (référence DPM054251)Doména TF3700.
Au montage du nouveau cordon j’ai eu un doute sur le raccordement .
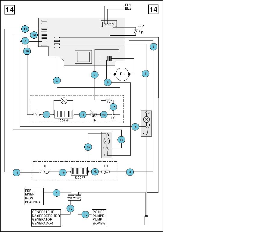
Pouvez vous me joindre une notice de montage afin que je raccordre ce cordon correctement .
Merci pour votre assistance
