Seche linge oceanic modele : OCEASLCE7WP type : KH100CF1A

Bonjour,

les résistances de mon sèche linge oceanic, modèle :oceaslce7wp sont sous tension et rouge , bouton marche sur arret et aucun programme engagé !

j’ai testé les thermostats : ok

les relais sur la carte electronique sont également ok

pouvez vous m’aider à comprendre cette panne

merci

Mais restés collés.

Avez vous essayé un reset en débranchant la prise qqs minutes ?

la panne vient sans doute du fait que j’ai démonté le boitier résistance , thermostat et je l’ai mal rebranché en inversant le connecteur ! tout de suite il y a eu court jus et le fusible 16 A du compteur à cramer ! aprés changement et inversion connecteur ça marche mais la resistance chauffe dés que je branche la prise 220 v.

j’ai vérifier si pas de fil cramer, négatif. les thermostats sont ok .

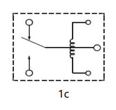
j’ai demonté la carte électronique : il semble y avoir 4 relais

3 relais HF3FA 024-HTF avec 4 broches : valeur bobine 1.6 Khoms et circuit ouvert sur les 2 autres broches, idem sur les 3

1 relais SANYOU SRD-S-12402-F-c1 bobine 1.6 k 5 BROCHES , circuit ouvert d’un coté et fermé de l’autre semble ok

que puis je faire d’autre ?

merci

Sauf si fermé du mauvais côté

https://www.tme.eu/Document/44da8ad0eef567e3e4f0ea3e928322de/SDR-Datasheet.pdf

Si ce n’est pas ça, la carte de puissance est à remplacer.

j’ai vérifié comme sur le plan . c’est ok ! peut on tester la carte pour voir si autre chose est hs ?

merci

Il y avait donc déjà une panne avant ça ?

Faudrait des photos de la carte recto verso. Le branchement à l’envers a du faire des dégâts. C’est une prise 5 broches ?

la première panne venait du fait qu’il ne chauffait plus . je n’ai pas vu que cela venait de la courroie hs ! j’ai démonté les résistances pour test et en remontant court jus ! mauvais branchement

On ne voit rien mais les images sont trop flous et trop petites et c’est bien la prise 5 broches qui a été inversée ou une autre ?

avec l ‘ensemble résistances et thermostat il y a un paquet de 6 fils qui sont sur un connecteur que l’on branche sur un connecteur avec l’arrivée de courant. c’est le branchement de ces 2 connecteurs que j’ai fait à l’envers !

comment peut on savoir si la carte est hs

merci

Bonjour

Si les résistances montent au rouge c’est qu’elle ne sont pas ventilées.

Êtes vous sur que la soufflante tourne ?

:roll_eyes: :roll_eyes:

le problème c’est que les résistances chauffent dés que l’on branche le seche linge , avec le bouton marche /arret sur arret sans aucun programme demandé .

Bonjour

Il y a 2 choses que je ne comprends pas.

  1. comment les résistances peuvent être sous tension avec la machine à l’arrêt.

  2. comment les résistances peuvent chauffer sans ventilation et sans déclencher les sécurité de surchauffe qui sont placées sur le bloc de chauffe.

Je pense que l’on est encore sur un problème de câblage mal remonté.

Il faudrait, pour vérifier, disposer du schéma, mais je ne l’ai pas.

Bonne chance…. et faites des photos avant démontage au prochain dépannage.

Bonjour

Il y a 2 choses que je ne comprends pas.

  1. comment les résistances peuvent être sous tension avec la machine à l’arrêt.

  2. comment les résistances peuvent chauffer sans ventilation et sans déclencher les sécurité de surchauffe qui sont placées sur le bloc de chauffe.

Je pense que l’on est encore sur un problème de câblage mal remonté.

Il faudrait, pour vérifier, disposer du schéma, mais je ne l’ai pas.

Bonne chance…. et faites des photos avant démontage au prochain dépannage.

  1. si je me fie à un réparateur et vendeur de pièce détachèes au Havre, il me dit qu’après un court jus c’est gènèralement la carte qui dégage !

dois je changé la carte, car c’est pas donné ! si il y a autre chose ça ne vaut pas le coup de reparer.

qu’en pensez vous

merci

C’est ce que je pensais en vous demandant des photos nettes de la carte. Mais dépanner au composant, demande outillage spécialisé et connaissances techniques.